Specialised on Chemical Tanker Cleaning Guidance & Expediting Cargo Operation
We, Constellation Marine Services as marine and ship surveyors provides an expert guidance and offer supervision on Tank cleaning of a chemical tanker which is more efficient and economical, including cargo contamination claim advisory & cargo expeditors for oil & chemical cargoes.
There are several operations that had to
be carried out to maximize the efficiency of
tank cleaning. That new innovative technologies
in tank cleaning have raised the standards in
marine industry. There are many ways to realize
the optimum cleaning efficiency for different
tanks. The evaluation of tank cleaning options
starts with the audit of operations which are
as follows,
1. Number of tanks require cleaning.
2. Are obstructions in the tanks present (e.g.
agitators, mixers).
3. What residue needs to be removed.
4. Are cleaning agents required or is water
sufficient?
5. What are the methods that can be used for
tank cleaning?
After these steps, verify the results obtained and ensure that the best cleaning values can be achieved in terms of accuracy and reliability. Advancements in technology have made it easier to remove stubborn residues, shorten cleaning cycle times and achieve higher levels of automation. Presented in this paper are the methods used to perform tank cleaning to a standard which complies with the current legislation? If tank cleaning technologies are effective, then operating costs are minimal.
Tank cleaning methods onboard chemical
tankers
On chemical Tankers, cargo tanks may be coated
with various types of materials. Therefore,
it is important to check with the P&A manual
and the Paint Manufacturers Coating Resistance
list prior to commencing Tank Cleaning Operations
in order to ascertain the tank coating materials
and any limitations with regards to temperature
and use of cleaning chemicals which may be applicable
to the vessel.
Tank cleaning on chemical a tanker is generally
the responsibility of the ship staff. Tank cleaning
must be planned according to the previous cargo
loaded. But the matter can be still more complicated,
as cleanliness for one and the same product
may vary, depending on who the receiver is and
the final intended purpose of the cargo.
Examples: glycol is intended for cosmetics or pharmaceutical purposes, this requires completely cleaned and odorless tanks. However, glycol intended for antifreezes; caustic soda for making paper, is more sensitive to iron contamination than caustic soda for the aluminum industry.
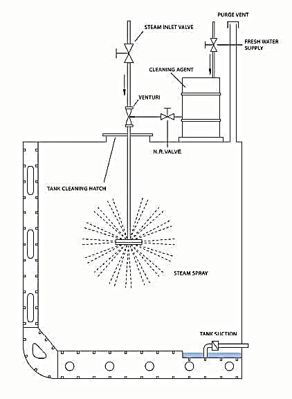
Fig: Modern Chemical tanker tank cleaning process
using steam spray
It must be mentioned first that the majority
of cleaning operations on board chemical tanker
are being carried out by means of water washing
only. Further chemical cleaning is required
for only a limited number of cargoes, but these
cases may be very important.
One must take into considerations, the nature
of the previous cargo, and the cargo to be loaded,
time factor, available equipment and cleaning
chemicals etc. It is stated that the necessary
degree of cleanliness for several products is
in line with what cargo surveyors normally require.
Generally speaking one should use mechanical
tank cleaning methods, that is usually washing
with water, before applying more expensive methods
involving chemical cleaning agents. The most
expensive, and least safe, method is manual
cleaning, which should be kept to a minimum.
Manual work should preferably be reduced to
inspection and possibly to a final drying up
of washing water only.
It is important to drain the tanks as much as
possible to reduce pollution of the seas to
an absolute minimum. This will now be even more
important with the anti-pollution Convention
of 1973.
Examples of measures on how to obtain
the best possible cargo stripping:
i) Due regard to ship’s trim and heel.
ii) Viscous cargos may first be stripped from
the various tanks to one tank near the pump
room and from there be pumped ashore.
iii) Keep the cargo temperature sufficiently
high so that the cargo drains also from remote
corners of the tanks, especially in cold climates.
iv) Waxy deposits under the heating coils can
sometimes be melted out by means of filling
with water and then applying heat to the coils.
v) Sometimes steaming is allowed during discharge
of molasses, which facilitates draining of molasses
from the bulkheads.
vi) Vegetable oil tanks may in the last phase
of discharge be recirculated and hosed down
with vegetable oil taken from the cargo pump
delivery side . Similarly, phosphoric acid can
be recirculated to loosen sediments on the tank
bottom.
vii) Drain cargo piping to shore. It is useful
to have a small stripping pump with 50 mm delivery
line to the hose connection for delivery of
contents in the cargo piping to shore.
viii) Before loading sensitive cargoes: mudboxes,
valve bodies and pump housings must be drained
by opening the drain plugs (with due regard
to personal safety).
Water washing may be inadequate or inappropriate
after the carriage of certain products because
tanks can only be cleaned by special methods
or cleaning agents. Where it is decided to use
these special cleaning methods, and well documented
experience indicates that it is safe to do so,
thorough company guidance should be provided
that describes the procedures for the ship to
follow.
Where a special cleaning method is to be used
in port, local authorities may impose additional
safety or environmental requirements.
Some cargoes may react with certain cleaning
agents and produce large amounts of toxic or
flammable vapours, or render equipment such
as pumps inoperable. The choice of a tank cleaning
agent should be made with full knowledge of
the cargo characteristics.
If a special method involving cleaning agents
is to be used, it may create an additional hazard
for the crew. Shipboard procedures should ensure
that personnel are familiar with, and protected
from, the health hazards associated with such
a method. The cleaning agents may be added to
the wash water or used alone. The cleaning procedures
adopted should not entail the need for personnel
to enter the tank.
If, however, the only practical means of cleaning
involves personnel entering the tank then the
precautions should be strictly followed. No
one should enter any cargo tank unless express
permission to do so has been received from the
responsible officer and all appropriate precautions
are taken. The tank atmosphere should be safe
for entry and an entry permit issued. Chemical
absorption detectors should be used for detecting
the presence of specific gases and vapors at
TLV levels.
In exceptional circumstances the requirement
might arise for wiping down product residues
from the tank walls by using a chemical solvent
in a localized area. The amount used should
be small, and the personnel involved should
be aware that its use may modify the atmosphere.
The introduction of the solvent into the tank
might also generate additional risks such as
toxicity or flammability. Such risks should
be carefully evaluated before starting the operation,
which should not be undertaken unless the personnel
involved can be effectively protected from those
risks. Data sheets for the chemical solvent
used should be available on board.
In addition, manufacturer’s instructions or
recommendations for the use of commercial products
should be observed, and the resulting slops
disposed of in accordance with the ship’s P&A
Manual.
Thus, we can conclude that tank cleaning on
a chemical tanker is a challenging task and
planning of carrying out same plays a very important
role, as there is lot of commercial pressure
and it has to be completed in a given time limit.
